ねじ新聞 オノナビvol.10 タッピンねじの下穴径
タッピンねじの下穴径とは?
タッピンねじは相手材に下穴さえあれば、自ら雌ネジを成形しながら締結することができる優れもの。雌ネジを必要としないため作業性が高く、締結にかかるコストを削減することが可能です。
タッピンねじの標準下穴径は、1種(A)・2種(B0, B1)・3種(C0, C1)により、それぞれ異なります。
1種(A)タッピンねじの標準下穴径

| 板の厚さ | 0.4 | 0.6 | 0.8 | 1.0 | 1.2 | |
|---|---|---|---|---|---|---|
| 呼び | 3 | 2.2 | 2.3 | 2.4 | 2.5 | 2.6 |
| 3.5 | 2.5 | 2.6 | 2.7 | 2.8 | 2.9 | |
| 4 | 2.7 | 2.9 | 3.0 | 3.1 | 3.2 | |
| 4.5 | – | 3.3 | 3.4 | 3.5 | 3.6 | |
| 5 | – | 3.6 | 3.8 | 3.9 | 4.0 | |
| 6 | – | 4.5 | 4.7 | 4.8 | 4.9 | |
※メーカーにより多少寸法は異なります
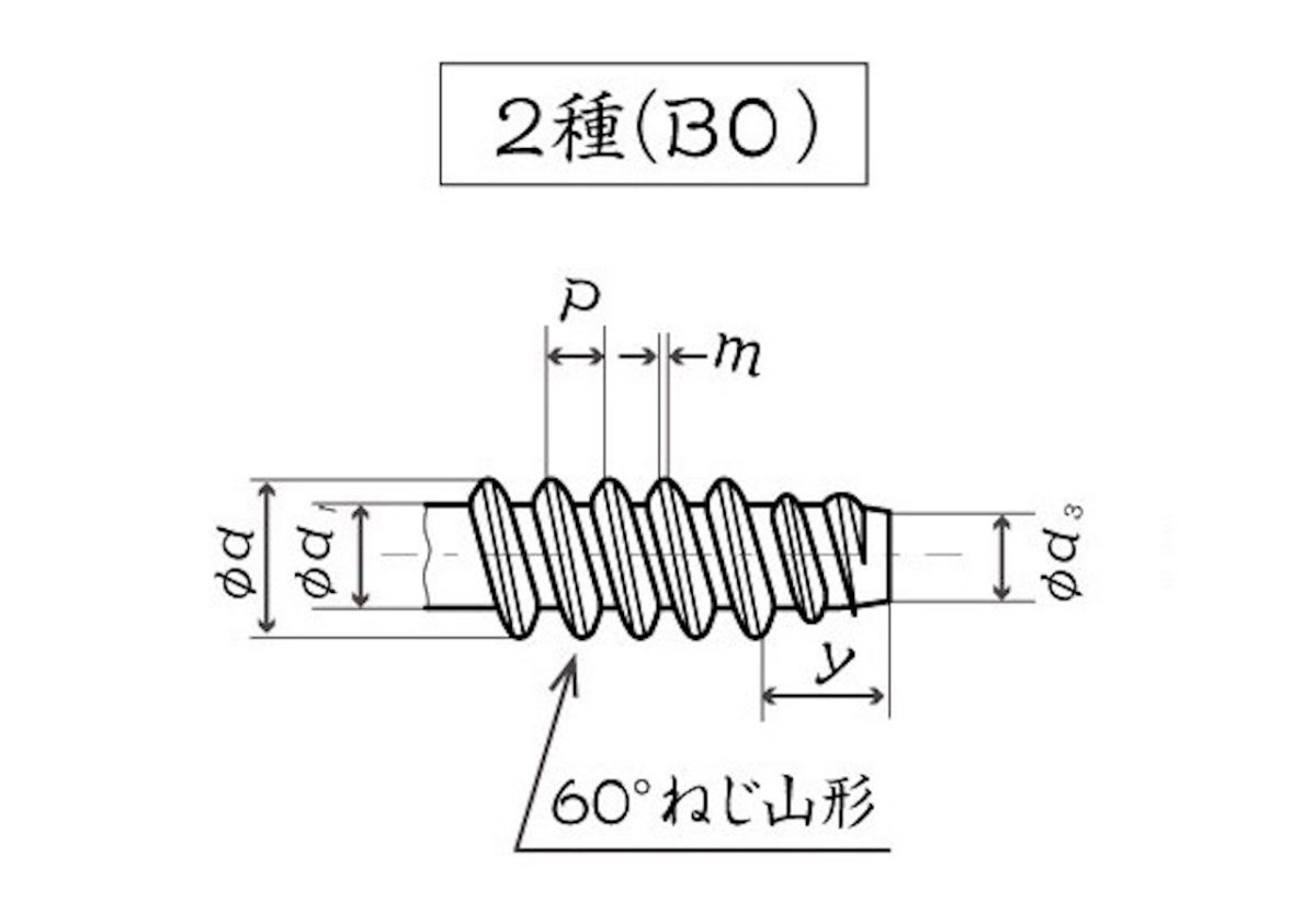
2種(B0, B1)タッピンねじの標準下穴径


| 板の厚さ | 0.4 | 0.6 | 0.8 | 1.0 | 1.2 | 1.6 | 2.0 | 2.6 | 3.2 | 4.0 | 5.0 | |
|---|---|---|---|---|---|---|---|---|---|---|---|---|
| 呼び | 2.5 | 1.9 | 1.9 | 2.0 | 2.0 | 2.1 | 2.2 | – | – | – | – | – |
| 3 | 2.3 | 2.4 | 2.5 | 2.5 | 2.6 | 2.6 | 2.7 | – | – | – | – | |
| 3.5 | 2.6 | 2.7 | 2.8 | 2.8 | 2.9 | 2.9 | 3.0 | 3.2 | – | – | – | |
| 4 | – | 3.0 | 3.0 | 3.1 | 3.2 | 3.3 | 3.4 | 3.6 | 3.7 | – | – | |
| 4.5 | – | 3.4 | 3.5 | 3.6 | 3.7 | 3.8 | 3.9 | 4.0 | 4.1 | 4.2 | – | |
| 5 | – | 3.8 | 3.9 | 4.0 | 4.1 | 4.2 | 4.3 | 4.4 | 4.5 | 4.6 | – | |
| 6 | – | – | 4.7 | 4.8 | 4.9 | 5.0 | 5.1 | 5.3 | 5.5 | 5.7 | 5.7 | |
※メーカーにより多少寸法は異なります
3種(C0, C1)タッピンねじの標準下穴径


| 板の厚さ | 1.0 | 1.2 | 1.6 | 2.0 | 2.6 | 3.2 | 4.0 | 5.0 | |
|---|---|---|---|---|---|---|---|---|---|
| 呼び | M2 | 1.6 | 1.6 | 1.7 | 1.7 | 1.8 | – | – | – |
| M2.5 | 2.1 | 2.1 | 2.2 | 2.2 | 2.3 | 2.3 | 2.3 | – | |
| M3×0.5 | 2.5 | 2.5 | 2.5 | 2.6 | 2.7 | 2.7 | 2.7 | – | |
| M3.5 | 2.9 | 3.0 | 3.0 | 3.1 | 3.1 | 3.2 | 3.2 | 3.2 | |
| M4×0.7 | 3.3 | 3.4 | 3.5 | 3.5 | 3.6 | 3.6 | 3.7 | 3.7 | |
| M4.5 | 3.8 | 3.9 | 3.9 | 4.0 | 4.0 | 4.1 | 4.1 | 4.2 | |
| M5×0.8 | 4.3 | 4.3 | 4.4 | 4.5 | 4.6 | 4.6 | 4.6 | 4.7 | |
| M6 | 5.3 | 5.4 | 5.4 | 5.5 | 5.5 | 5.5 | 5.5 | 5.6 | |
| M8 | 7.3 | 7.4 | 7.4 | 7.5 | 7.5 | 7.5 | 7.5 | 7.6 | |
※メーカーにより多少寸法は異なります
下穴径は、求められる締付強さと作業効率などとの関連で決定されます。締付強さに重点を置く場合は下穴径は小さめに、作業効率を重視する場合は大きめに設定します。下穴径の値に対して、±0.1mmの範囲が適当とされます。
ねじ販売商社のオノウエ株式会社