ねじ新聞 オノナビvol.08 タッピンねじの種類と特徴
タッピンねじとは…
タッピンねじとは、相手材に雌ねじが切られていなくても締結できるのネジのこと。相手材に下穴さえあれば、自らネジを立てて締結することが可能です。
相手材の厚みや材質によって、様々なピッチ(ねじ山とねじ山の間隔)や、形状の種類があります。今回は、JIS附属書に基づく一般的な5種類のタッピンねじをご紹介します。
1種タッピンねじ(Aタッピンねじ)


【形状】タッピンねじの中では、ピッチが最も荒い種類となります。先端部まで尖っており、その尖った先端までネジ山が切られているのが特徴です。
【相手材】主に薄鋼板・ハードボード・木材に使用され、一般に薄鋼板は1.2㎜以下に適しているとされます。
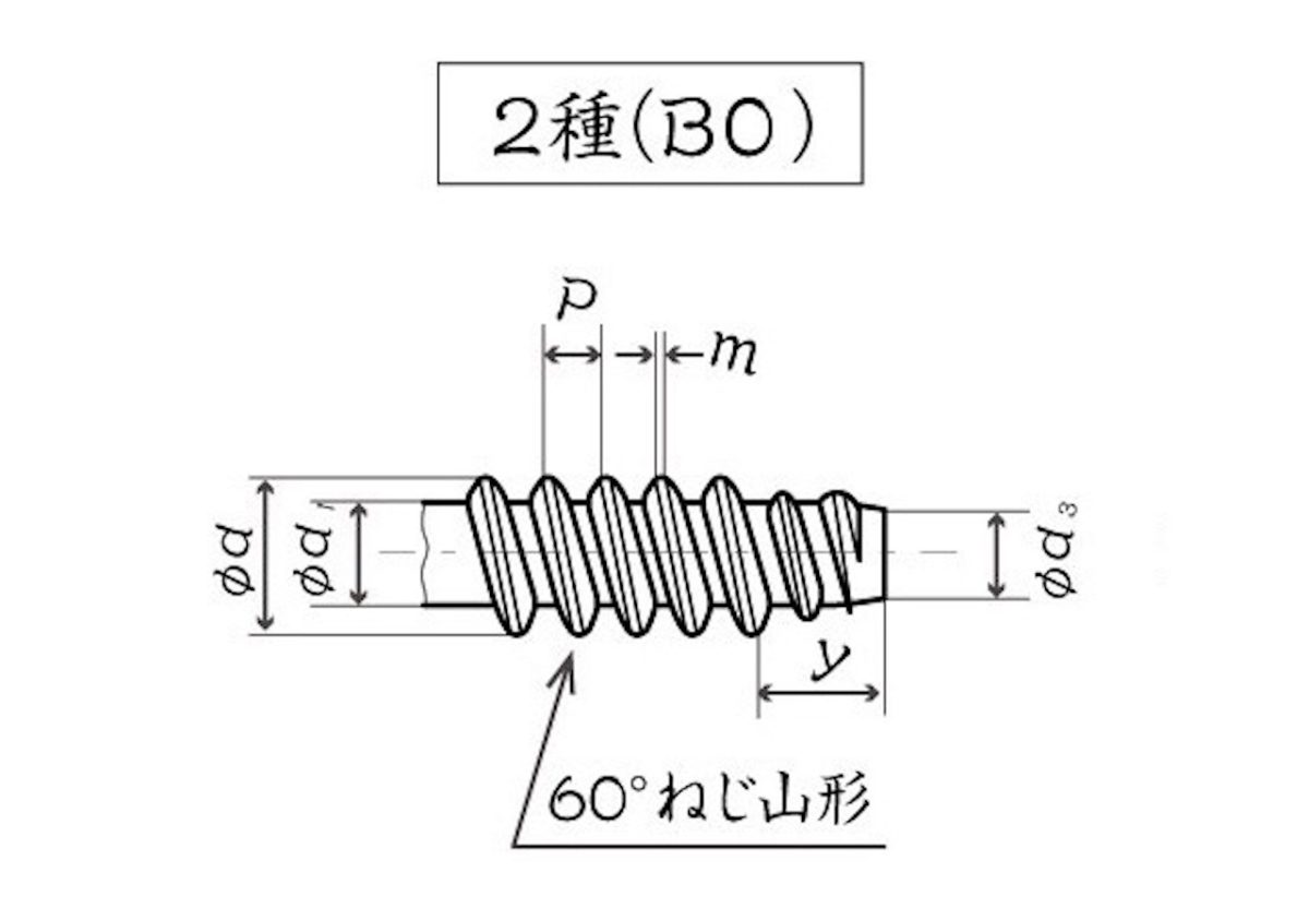
2種タッピンねじ(B0タッピンねじ)

【形状】先端の2~2.5山がテーパーで、ピッチは1種タッピンよりも小さくなっています。
【相手材】主に薄鋼板および厚板(5㎜以下)、さらに非金属・樹脂・硬質ゴムに適しているとされます。
2種タッピンねじ(B1タッピンねじ)


【形状】先端の2~2.5山がテーパーになっており、前述のB0タッピンねじの先端を1/4カットしたネジです。カットした部分が刃の役割をして、相手材を削っていきます。
【相手材】主に薄鋼板および厚板(5㎜以下)、樹脂・硬質ゴムに適しているとされます。
3種タッピンねじ(C0タッピンねじ)

【形状】先端の2.5~3山がテーパーで、小ねじと同じピッチになります。
【相手材】主に構造用鋼・鋳物・非鉄鋳物に適しているとされます。2種タッピンより厚板に対応できます。
3種タッピンねじ(C1タッピンねじ)


【形状】先端2.5~3山がテーパーになっており、前述のC0タッピンねじの先端を1/4カットしたものとなります。カットした部分が刃の役割をして、相手材を削っていきます。
【相手材】主に構造用鋼・鋳物・非鉄鋳物に適しています。
ねじ販売商社のオノウエ株式会社