座金組込み(+)なべ
座金組込み(+)十字穴付き なべ P=1・P=2・P=3・P=4

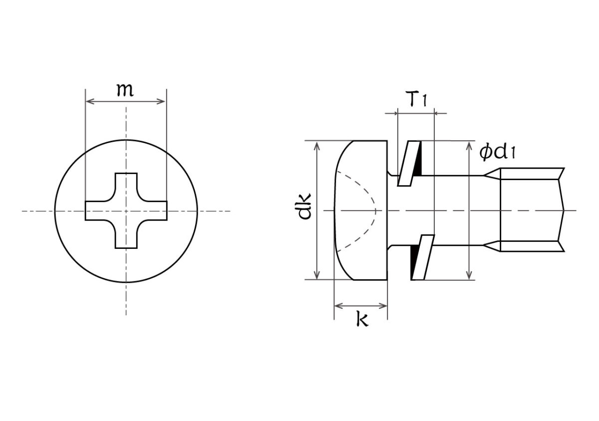
【図面】 座金組込み なべ P=1 平座金組込み

【寸法表】 座金組込み なべ P=1 平座金組込み
表は横にスライドします→
| ねじの呼び | dk | k | 十字穴 | 平座金 D1×T |
|||
|---|---|---|---|---|---|---|---|
| 基準寸法 | 許容差 | 基準寸法 | 許容差 | 番号 | m(参考) | ||
| M2 | 3.5 | 0 -0.4 |
1.3 | ±0.1 | 1 | 2.2 | 6×0.4 |
| M2.3 | 4 | 0 -0.4 |
1.5 | ±0.1 | 1 | 2.4 | 7×0.5 |
| M2.6 | 4.5 | 0 -0.4 |
1.7 | ±0.1 | 1 | 2.6 | 7.5×0.5 |
| M3 | 5.5 | 0 -0.5 |
2 | ±0.15 | 2 | 3.6 | 8×0.5 |
| M3.5 | 6 | 0 -0.5 |
2.3 | ±0.15 | 2 | 3.9 | 9×0.5 |
| ねじの呼び | dk | k | 十字穴 | 平座金 D1×T |
|||
| 基準寸法 | 許容差 | 基準寸法 | 許容差 | 番号 | m(参考) | ||
| M4 | 7 | 0 -0.5 |
2.6 | ±0.15 | 2 | 4.2 | 10×0.8 |
| M5 | 9 | 0 -0.6 |
3.3 | ±0.15 | 2 | 4.9 | 12×0.8 |
| M6 | 10.5 | 0 -0.7 |
3.9 | ±0.2 | 3 | 6.3 | 13×1.0 |
| M8 | 14 | 0 -0.8 |
5.2 | ±0.2 | 3 | 7.8 | 18×1.6 |
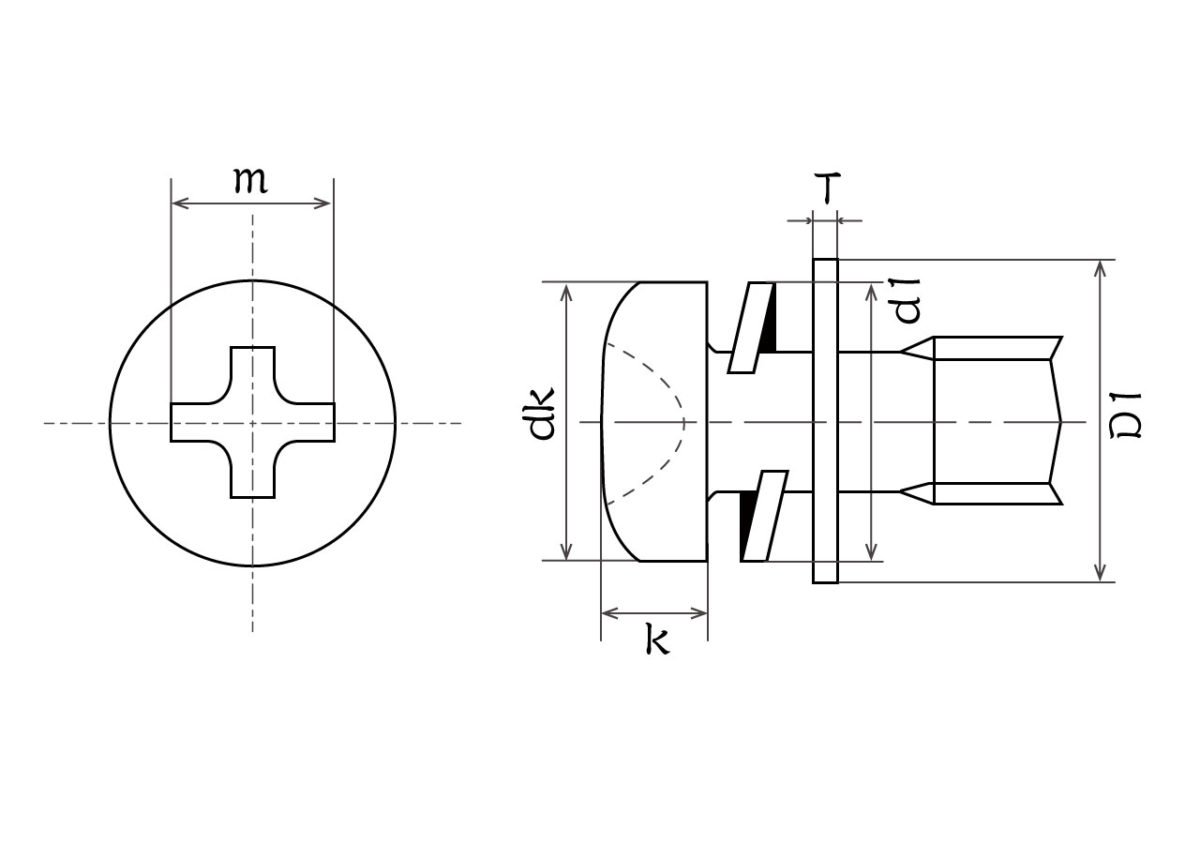
【図面】 座金組込み なべ P=2 ばね座金組込み

【寸法表】 座金組込み なべ P=2 ばね座金組込み
単位:mm
表は横にスライドします→
| ねじの呼び | dk | k | 十字穴 | ばね座金 D1(最大) |
|||
|---|---|---|---|---|---|---|---|
| 基準寸法 | 許容差 | 基準寸法 | 許容差 | 番号 | m(参考) | ||
| M2 | 3.5 | 0 -0.4 |
1.3 | ±0.1 | 1 | 2.2 | 4 |
| M2.3 | 4 | 0 -0.4 |
1.5 | ±0.1 | 1 | 2.4 | 4.6 |
| M2.5 | 4.5 | 0 -0.4 |
1.7 | ±0.1 | 1 | 2.6 | 4.8 |
| M2.6 | 4.5 | 0 -0.4 |
1.7 | ±0.1 | 1 | 2.6 | 4.8 |
| M3 | 5.5 | 0 -0.5 |
2 | ±0.15 | 2 | 3.6 | 5.5 |
| M3.5 | 6 | 0 -0.5 |
2.3 | ±0.15 | 2 | 3.9 | 6.2 |
| ねじの呼び | dk | k | 十字穴 | ばね座金 D1(最大) |
|||
| 基準寸法 | 許容差 | 基準寸法 | 許容差 | 番号 | m(参考) | ||
| M4 | 7 | 0 -0.5 |
2.6 | ±0.15 | 2 | 4.2 | 7 |
| M5 | 9 | 0 -0.6 |
3.3 | ±0.15 | 2 | 4.9 | 8.5 |
| M6 | 10.5 | 0 -0.7 |
3.9 | ±0.2 | 3 | 6.3 | 11.5 |
| M8 | 14 | 0 -0.8 |
5.2 | ±0.2 | 3 | 7.8 | 14.5 |
| M10 | 19 | 0 -1.5 |
6 | ±1 | 4 | 9.4 | 17.5 |
【図面】 座金組込み なべ P=3 ばね座金および平座金組込み

【寸法表】 座金組込み なべ P=3 ばね座金および平座金組込み
単位:mm
表は横にスライドします→
| ねじの呼び | dk | k | 十字穴 | P=3 | ||||
|---|---|---|---|---|---|---|---|---|
| P=1 | P=2 | |||||||
| 基準寸法 | 許容差 | 基準寸法 | 許容差 | 番号 | m(参考) | 平座金 D1×T |
ばね座金 d1(最大) |
|
| M2 | 3.5 | 0 -0.4 |
1.3 | ±0.1 | 1 | 2.2 | 6×0.4 | 4.0 |
| (M2.3) | 4 | 0 -0.4 |
1.5 | ±0.1 | 1 | 2.4 | 7×0.5 | 4.6 |
| (M2.6) | 4.5 | 0 -0.4 |
1.7 | ±0.1 | 1 | 2.6 | 7.5×0.5 | 4.8 |
| M3 | 5.5 | 0 -0.5 |
2.0 | ±0.15 | 2 | 3.6 | 8×0.5 | 5.5 |
| (M3.5) | 6 | 0 -0.5 |
2.3 | ±0.15 | 2 | 3.9 | 9×0.5 | 6.2 |
| ねじの呼び | dk | k | 十字穴 | P=3 | ||||
| P=1 | P=2 | |||||||
| 基準寸法 | 許容差 | 基準寸法 | 許容差 | 番号 | m(参考) | 平座金 D1×T |
ばね座金 d1(最大) |
|
| M4 | 7 | 0 -0.5 |
2.6 | ±0.15 | 2 | 4.2 | 10×0.8 | 7.0 |
| M5 | 9 | 0 -0.6 |
3.3 | ±0.15 | 2 | 4.9 | 12×0.8 | 8.5 |
| M6 | 10.5 | 0 -0.7 |
3.9 | ±0.2 | 3 | 6.3 | 13×1.0 | 11.5 |
| M8 | 14 | 0 -0.8 |
5.2 | ±0.2 | 3 | 7.8 | 18×1.6 | 14.5 |
【図面】 座金組込み なべ P=4 ばね座金 および 平座金(小形)組込み

【寸法表】 座金組込み なべ P=4 ばね座金 および 平座金(小形)組込み
単位:mm
表は横にスライドします→
| ねじの呼び | dk | k | 十字穴 | 平座金 D1×T |
ばね座金 d1(最大) |
|||
|---|---|---|---|---|---|---|---|---|
| 基準寸法 | 許容差 | 基準寸法 | 許容差 | 番号 | m(参考) | |||
| M2 | 3.5 | 0 -0.4 |
1.3 | ±0.1 | 1 | 2.2 | 4.3×0.4 | 4.0 |
| M2.3 | 4 | 0 -0.4 |
1.5 | ±0.1 | 1 | 2.4 | 4.6×0.4 | 4.6 |
| M2.6 | 4.5 | 0 -0.4 |
1.7 | ±0.1 | 1 | 2.6 | 5×0.5 | 4.8 |
| M3 | 5.5 | 0 -0.5 |
2 | ±0.15 | 2 | 3.6 | 6×0.5 | 5.5 |
| M3.5 | 6 | 0 -0.5 |
2.3 | ±0.15 | 2 | 3.9 | 7×0.5 | 6.2 |
| ねじの呼び | dk | k | 十字穴 | 平座金 D1×T |
ばね座金 d1(最大) |
|||
| 基準寸法 | 許容差 | 基準寸法 | 許容差 | 番号 | m(参考) | |||
| M4 | 7 | 0 -0.5 |
2.6 | ±0.15 | 2 | 4.2 | 8×0.5 | 7.0 |
| M5 | 9 | 0 -0.6 |
3.3 | ±0.15 | 2 | 4.9 | 10×0.8 | 8.5 |
| M6 | 10.5 | 0 -0.7 |
3.9 | ±0.2 | 3 | 6.3 | 11.5×0.8 | 11.5 |
| M8 | 14 | 0 -0.8 |
5.2 | ±0.2 | 3 | 7.8 | 16×1.2 | 14.5 |
ご入用の際はオノウエへ!オノウエなら現場の負担を減らせます。
同じ部品をご注文いただいた場合でも、必要に応じて分けて納品することができます。
さらに小分けした袋に「商品名・本数・現場名・備考」が書かれたラベルシールを貼って納品!
どこで使うかすぐ分かる「オノウエラベル」についてはコチラ
寸法表は代表的なものです。詳しくはお問い合せください。
午前中のお見積もり依頼には即日回答いたします!
※一部、メーカーへの確認が必要なものはお時間をいただく場合がございます。
営業日/月〜金(祝祭日を除く)
営業時間/8:30〜17:30
FAXでのお問い合わせはコチラ
ねじ販売商社のオノウエ株式会社