六角穴付きボタンボルト
六角穴付きボタンボルト(ボタンキャップ、ボタンCS)

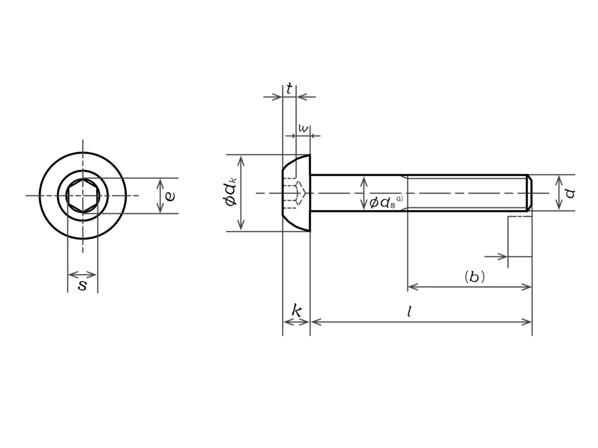
【図面】六角穴付きボタンボルト JIS B 1174:2017 抜粋

【寸法表】六角穴付きボタンボルト JIS B 1174:2017 抜粋
単位:mm
表は横にスライドします→
| ねじの呼び d |
b | dk | ds | e | ねじの呼び d |
k | s | t | w | |||||
|---|---|---|---|---|---|---|---|---|---|---|---|---|---|---|
| 参考 | 最大 | 最小 | 最大 | 最小 | 最小 | 最大 | 最小 | 呼び | 最大 | 最小 | 最大 | 最小 | ||
| M3 | 18 | 5.70 | 5.40 | 3 | 2.86 | 2.303 | M3 | 1.65 | 1.40 | 2 | 2.080 | 2.020 | 1.04 | 0.20 |
| M4 | 20 | 7.60 | 7.24 | 4 | 3.82 | 2.873 | M4 | 2.20 | 1.95 | 2.5 | 2.580 | 2.520 | 1.30 | 0.30 |
| M5 | 22 | 9.50 | 9.14 | 5 | 4.82 | 3.443 | M5 | 2.75 | 2.50 | 3 | 3.080 | 3.020 | 1.56 | 0.38 |
| M6 | 24 | 10.50 | 10.07 | 6 | 5.82 | 4.583 | M6 | 3.30 | 3.00 | 4 | 4.095 | 4.020 | 2.08 | 0.74 |
| M8 | 28 | 14.00 | 13.57 | 8 | 7.78 | 5.723 | M8 | 4.40 | 4.10 | 5 | 5.140 | 5.020 | 2.60 | 1.05 |
| M10 | 32 | 17.50 | 17.07 | 10 | 9.78 | 6.863 | M10 | 5.50 | 5.20 | 6 | 6.140 | 6.020 | 3.12 | 1.45 |
| M12 | 36 | 21.00 | 20.48 | 12 | 11.73 | 9.149 | M12 | 6.60 | 6.24 | 8 | 8.175 | 8.025 | 4.16 | 1.63 |
| M16 | 44 | 28.00 | 27.48 | 16 | 15.73 | 11.429 | M16 | 8.80 | 8.44 | 10 | 10.175 | 10.025 | 5.20 | 2.25 |
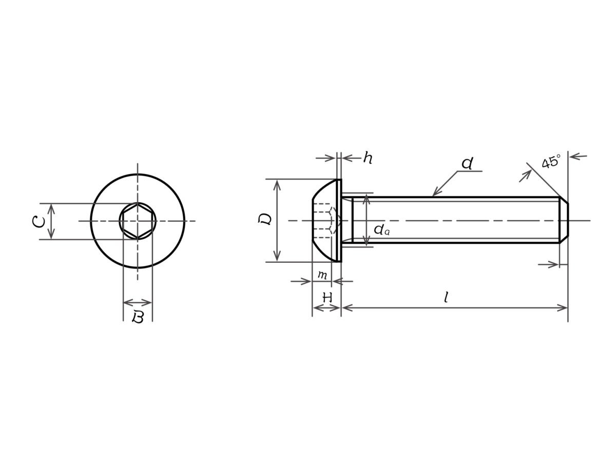
従来の規格品は、下のSSS(日本ソケットスクリュー工業協同組合)となります。頭部の寸法など、異なる点がございますので、注意が必要です。
【図面】六角穴付きボタンボルト
日本ソケットスクリュー工業協同組合規格 SSS 002(1977)

【寸法表】六角穴付きボタンボルト
日本ソケットスクリュー工業協同組合規格 SSS 002(1977)
| ねじの呼び(d) | M3 | M4 | M5 | M6 | M8 | M10 | M12 | M16 | ||
|---|---|---|---|---|---|---|---|---|---|---|
| D | ボタン | 基準寸法 | 5.5 | 7.5 | 9.5 | 10.5 | 14 | 18 | 21 | 28 |
| 許容差 | 0 -0.3 |
0 -0.4 |
0 -0.5 |
0 -0.6 |
||||||
| H | ボタン | 基準寸法 | 2 | 2.6 | 3.4 | 4 | 5 | 6 | 7 | 8.5 |
| 許容差 | ±0.15 | ±0.2 | ||||||||
| h | ボタン | 参考 | 0.4 | 0.4 | 0.5 | 0.8 | 0.8 | 0.8 | 0.8 | 1.5 |
| B | ボタン | 基準寸法 | 2 | 2.5 | 3 | 4 | 5 | 6 | 8 | 10 |
| 許容差 | +0.08 +0.02 |
+0.105 +0.03 |
+0.13 +0.04 |
|||||||
| C | ボタン | 約 | 2.3 | 2.9 | 3.6 | 4.7 | 5.9 | 7 | 9.4 | 11.7 |
| m | ボタン | 基準寸法 | 1.4 | 1.8 | 2.4 | 2.8 | 3.5 | 4.2 | 4.9 | 6 |
| 許容差 | ±0.15 | ±0.2 | ||||||||
ご入用の際はオノウエへ!オノウエなら現場の負担を減らせます。
同じ部品をご注文いただいた場合でも、必要に応じて分けて納品することができます。
さらに小分けした袋に「商品名・本数・現場名・備考」が書かれたラベルシールを貼って納品!
どこで使うかすぐ分かる「オノウエラベル」についてはコチラ
寸法表は代表的なものです。詳しくはお問い合せください。
午前中のお見積もり依頼には即日回答いたします!
※一部、メーカーへの確認が必要なものはお時間をいただく場合がございます。
営業日/月〜金(祝祭日を除く)
営業時間/8:30〜17:30
FAXでのお問い合わせはコチラ
ねじ販売商社のオノウエ株式会社