ねじ新聞vol.19 管フランジ用 ボルトサイズ早見表
JIS鋼製 管フランジ用 ボルトサイズ早見表

| 呼び (A) |
呼び圧力 5K | |||
|---|---|---|---|---|
| 六角ボルト | ボルトの数 | |||
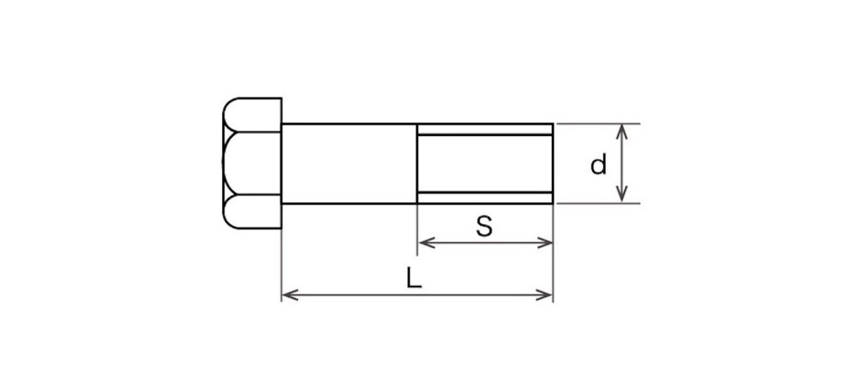
| d | L | S | ||
| 10 | M10 | 35 | 26 | 4 |
| 15 | M10 | 35 | 26 | 4 |
| 20 | M10 | 35 | 26 | 4 |
| 25 | M10 | 35 | 26 | 4 |
| 32 | M12 | 45 | 30 | 4 |
| 40 | M12 | 45 | 30 | 4 |
| 50 | M12 | 45 | 30 | 4 |
| 65 | M12 | 45 | 30 | 4 |
| 80 | M16 | 50 | 38 | 4 |
| 90 | M16 | 50 | 38 | 4 |
| 100 | M16 | 55 | 38 | 8 |
| 125 | M16 | 55 | 38 | 8 |
| 150 | M16 | 60 | 38 | 8 |
| 200 | M20 | 65 | 46 | 8 |
| 250 | M20 | 70 | 46 | 12 |
| 300 | M20 | 70 | 46 | 12 |
| 350 | M22 | 80 | 50 | 12 |
| 呼び (A) |
呼び圧力 10K | |||
|---|---|---|---|---|
| 六角ボルト | ボルトの数 | |||
| d | L | S | ||
| 10 | M12 | 45 | 30 | 4 |
| 15 | M12 | 45 | 30 | 4 |
| 20 | M12 | 45 | 30 | 4 |
| 25 | M16 | 50 | 38 | 4 |
| 32 | M16 | 55 | 38 | 4 |
| 40 | M16 | 55 | 38 | 4 |
| 50 | M16 | 55 | 38 | 4 |
| 65 | M16 | 60 | 38 | 4 |
| 80 | M16 | 60 | 38 | 8 |
| 90 | M16 | 60 | 38 | 8 |
| 100 | M16 | 60 | 38 | 8 |
| 125 | M20 | 65 | 46 | 8 |
| 150 | M20 | 70 | 46 | 8 |
| 200 | M20 | 70 | 46 | 12 |
| 250 | M22 | 80 | 50 | 12 |
| 300 | M22 | 80 | 50 | 16 |
| 350 | M22 | 85 | 50 | 16 |
ボルトの長さは次の条件で計算しています。
1. ガスケットの厚さ
250A以下:1.5mm
300A以上:3mm
2. ナットの高さ
H=0.8d(1種ナット)
ねじ販売商社のオノウエ株式会社